Chinese
|
English
Home
About Us
Products
Spare Parts
Ceramic Package
Vacuum Interrupter
VCB
Vacuum Contactor
Switchgear
News
Company News
Industry News
Order
Contact Us
Location:
Home
>
Products
>
Switchgear
Products
Spare Parts
Ceramic Package
Vacuum Interrupter
VCB
Vacuum Contactor
Switchgear
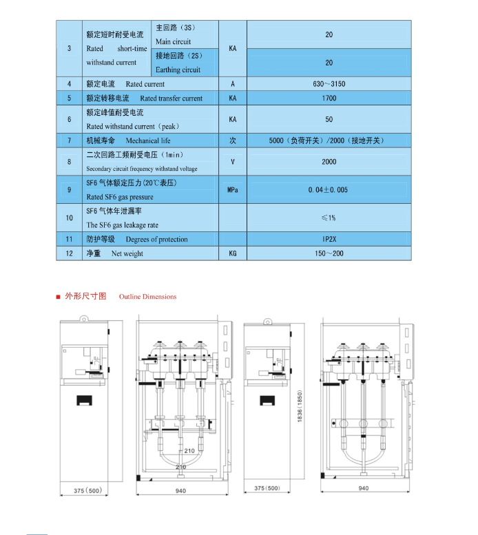
HXGN15-12 type AC metal-enclosed ring network switchgear
hit:
1032
addtime:2025/09/16
Previous:
MNS type AC low-voltage withdrawable switchgear
Next:
XHGN□-12 type AC metal-enclosed ring network switchgear
About us
Company Profile
Culture
Contact us
Products
Spare Parts
Ceramic Package
Vacuum Interrupter
VCB
Vacuum Contactor
Switchgear
News
Company News
Industry News
Contact us
Tel:+86-712-2337588
Fax:+86-712-2337777
Website:www.hbft.com
Addr:No. 4 Aerospace Avenue,Xiaogan,
Hubei,China
© 2025 Hubei Feite Mechanical and Electrical Co., Ltd. All right reserved Design by:
Wangxun