Chinese
|
English
Home
About Us
Products
Spare Parts
Ceramic Package
Vacuum Interrupter
VCB
Vacuum Contactor
Switchgear
News
Company News
Industry News
Order
Contact Us
Location:
Home
>
Products
>
VCB
Products
Spare Parts
Ceramic Package
Vacuum Interrupter
VCB
Vacuum Contactor
Switchgear
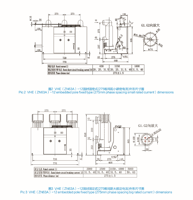
VHE(ZN63A)-12 indoor high voltage vacuum circuit breaker(embedded pole structure)
hit:
1038
addtime:2025/09/15
Previous:
VHE(ZN63A)-12 indoor high voltage vacuum circuit breker(Modular mechanism)
Next:没有了!
About us
Company Profile
Culture
Contact us
Products
Spare Parts
Ceramic Package
Vacuum Interrupter
VCB
Vacuum Contactor
Switchgear
News
Company News
Industry News
Contact us
Tel:+86-712-2337588
Fax:+86-712-2337777
Website:www.hbft.com
Addr:No. 4 Aerospace Avenue,Xiaogan,
Hubei,China
© 2025 Hubei Feite Mechanical and Electrical Co., Ltd. All right reserved Design by:
Wangxun