Chinese
|
English
Home
About Us
Products
Spare Parts
Ceramic Package
Vacuum Interrupter
VCB
Vacuum Contactor
Switchgear
News
Company News
Industry News
Order
Contact Us
Location:
Home
>
Products
>
VCB
Products
Spare Parts
Ceramic Package
Vacuum Interrupter
VCB
Vacuum Contactor
Switchgear
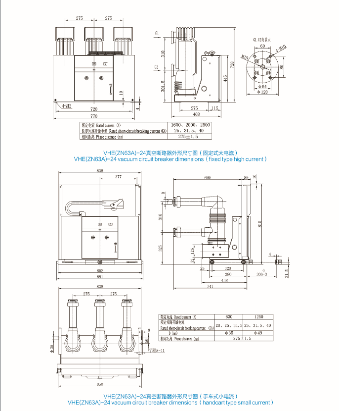
VHE(ZN63A)-24 indoor high voltage vacuum circuit breker(embedded pole structure)
hit:
1038
addtime:2025/09/15
Previous:
ZW32-24(17.5) outdoor high voltage vacuum circuit breker
Next:
ZW32-12(G) outdoor high voltage vacuum circuit breker
About us
Company Profile
Culture
Contact us
Products
Spare Parts
Ceramic Package
Vacuum Interrupter
VCB
Vacuum Contactor
Switchgear
News
Company News
Industry News
Contact us
Tel:+86-712-2337588
Fax:+86-712-2337777
Website:www.hbft.com
Addr:No. 4 Aerospace Avenue,Xiaogan,
Hubei,China
© 2025 Hubei Feite Mechanical and Electrical Co., Ltd. All right reserved Design by:
Wangxun